Pengiriman Cepat
Pengiriman ekspres 30 hari



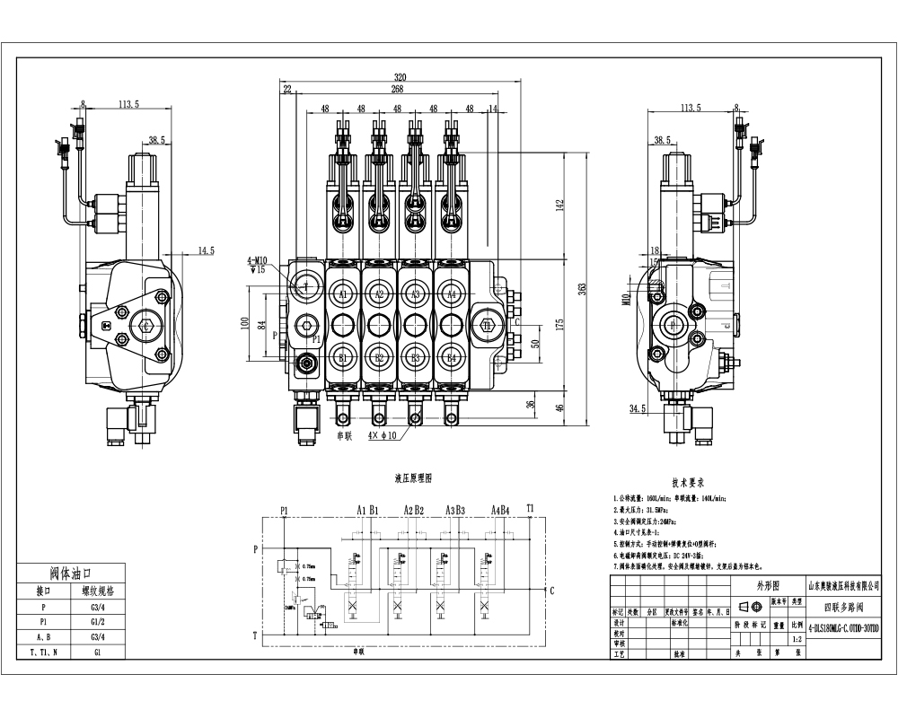
HSDLS180 adalah katup hidrolik arah seksi 4-spul manual yang kuat dengan pengosongan listrik, dirancang untuk aplikasi aliran tinggi dan tekanan tinggi dalam penanganan material, konstruksi, pertanian, dan kendaraan industri. Katup ini menawarkan kontrol yang andal dan ketahanan dalam lingkungan yang menuntut.
| Seri SDS180 Kran Arah Bagian Parameters | |
|---|---|
| Spul | 1 Spul, 3 Spul, 4 Spul, 5 Spul, 6 Spul, 7 Spul |
| Metode Kontrol | Buku Panduan, Hidraulis |
| Ukuran Port | G3/4, G1, SAE 12 |
| Bagian | 1 Bagian, 2 Bagian, 3 Bagian, 4 Bagian, 5 Bagian, 6 Bagian, 7 Bagian, 8 Bagian, 9 Bagian, 10 Bagian |
| Kisaran Suhu Sekitar | -40°C hingga +80°C (-40°F hingga +176°F) |
| Kisaran Viskositas Operasional | 12 - 400 mm²/dt (12 cSt hingga 400 cSt) |
| Port Keluar | G1, SAE 16 |
| Tekanan Maksimum | 350 bar (5100 psi) |
| Aliran Terukur | 160 L/menit (42,2 US gpm) |
| Tipe Struktur | Katup penampang |
| Port Masuk | G3/4, G1, SAE 12 |
Katup Arah Seksi 4-Spul Manual HSDLS180-Katup pengosongan listrik adalah komponen hidrolik berperforma tinggi yang ideal untuk berbagai aplikasi yang membutuhkan kontrol sistem hidrolik yang presisi dan bertenaga. Fitur-fitur utamanya meliputi:
* **Laju Aliran Tinggi:** 160 L/mnt (42.2 US gpm) memastikan operasi yang efisien bahkan di bawah beban berat.
* **Ketahanan Tekanan Tinggi:** Peringkat tekanan maksimum 350 bar (5100 psi) menjamin kinerja yang andal dalam kondisi yang menantang.
* **Rentang Viskositas Lebar:** Katup beroperasi secara efektif dengan cairan mulai dari 12 hingga 400 mm²/s (12 cSt hingga 400 cSt).
* **Konstruksi Tahan Lama:** Dibangun untuk menahan lingkungan yang keras, dengan rentang suhu operasi -40°C hingga +80°C (-40°F hingga +176°F).
* **Kontrol Manual:** Pengoperasian yang sederhana dan intuitif melalui aktuasi manual.
* **Pengosongan Listrik:** Memfasilitasi pengosongan sistem hidrolik yang lebih cepat dan mudah.
* **Empat Seksi:** Memungkinkan kontrol independen empat fungsi hidrolik.
* **Desain Katup Seksi:** Menawarkan modularitas dan perawatan yang mudah.
**Aplikasi:** HSDLS180 sangat cocok untuk berbagai aplikasi, termasuk:
* **Penanganan Material:** Forklift, telehandler, dan peralatan penanganan material lainnya.
* **Konstruksi dan Pemindahan Tanah:** Skid steer loader, compact wheel loader, wheel loader, backhoe loader.
* **Pertanian:** Traktor, pemanen, baler, dan mesin pertanian lainnya.
* **Kendaraan Industri:** Berbagai mesin industri yang membutuhkan kontrol hidrolik yang presisi.
Kami menawarkan layanan manufaktur, OEM, private labeling, kustomisasi, dan grosir untuk katup ini. Kami secara aktif mencari distributor, grosir, agen, dan mitra dagang di seluruh dunia untuk memperluas jangkauan pasar kami. Hubungi kami untuk membahas persyaratan spesifik Anda dan menjajaki peluang kemitraan.



