Pengiriman Cepat
Pengiriman ekspres 30 hari



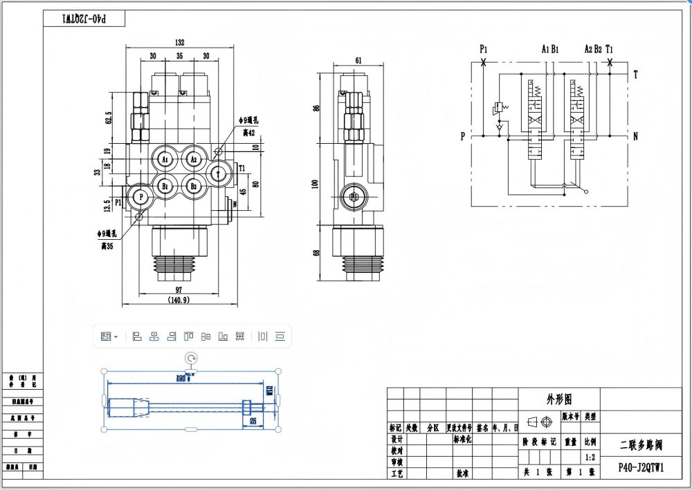
Katup Arah Monoblok P40 Manual dan Joystick 2 Spul adalah katup hidrolik berkinerja tinggi yang dirancang untuk aplikasi yang menuntut. Dengan aliran terukur 40 L/menit dan tekanan maksimum 250 bar, katup ini memberikan kontrol yang tepat atas aliran dan arah fluida. Desain monoblok yang ringkas memastikan ketahanan dan keandalan, sementara opsi kontrol manual dan joystick menawarkan keserbagunaan dan kemudahan pengoperasian.
| Seri P40 Katup Arah Monoblok Parameters | |
|---|---|
| Metode Kontrol | Buku Panduan, Pneumatik, Elektro-pneumatik, Elektro-hidraulik, Selenoid, Hidraulis, Hidraulik dan Manual, Kabel, Stik Kontrol, Manual dan Joystick |
| Spul | 1 Spul, 2 Spul, 3 Spul, 4 Spul, 5 Spul, 6 Spul, 7 Spul |
| Aliran Terukur | 40 L/menit (10,5 US gpm) |
| Tekanan Maksimum | 250 bar (3600 psi) |
| Port Masuk | G3/8, G1/2, M18×1.5, M22×1.5, SAE 8, SAE 10, 3/8 NPT, 1/2 NPT |
| Port Keluar | G3/8, G1/2, M18×1.5, M22×1.5, SAE 8, SAE 10, 3/8 NPT, 1/2 NPT |
| Ukuran Port | G3/8, G1/2, M18×1.5, SAE 8, SAE 10, 3/8 NPT, 1/2 NPT |
| Bagian | 1 Bagian, 2 Bagian, 3 Bagian, 4 Bagian, 5 Bagian, 6 Bagian, 7 Bagian |
| Tipe Struktur | Katup monoblok |
| Kisaran Suhu Sekitar | -40°C hingga +80°C (-40°F hingga +176°F) |
| Kisaran Viskositas Operasional | 15 - 75 mm²/dt (15 cSt hingga 75 cSt) |
**Fitur dan Manfaat Produk:**
- Aliran terukur 40 L/menit (10.5 US gpm) untuk kontrol aliran yang efisien
- Tekanan maksimum 250 bar (3600 psi) untuk operasi yang andal dalam sistem bertekanan tinggi
- Opsi kontrol manual dan joystick memberikan fleksibilitas dan kemudahan pengoperasian
- Desain monoblok untuk peningkatan daya tahan dan pengurangan kebocoran
- Rentang viskositas pengoperasian 15 - 75 mm²/s (15 cSt hingga 75 cSt) untuk kompatibilitas dengan berbagai cairan
- Rentang suhu sekitar -40°C hingga +80°C (-40°F hingga +176°F) untuk penggunaan dalam kondisi suhu ekstrem
**Aplikasi:**
- Peralatan penanganan material
- Mesin konstruksi dan pemindahan tanah
- Mesin pertanian
- Kendaraan industri



