Pengiriman Cepat
Pengiriman ekspres 30 hari



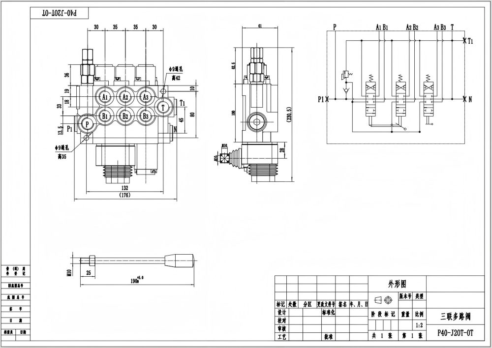
Katup Arah Monoblok 3 Spul Manual dan Joystick P40 adalah katup hidrolik berkinerja tinggi yang dirancang untuk aplikasi berat di berbagai industri. Dengan aliran terukur 40 L/menit dan tekanan maksimum 250 bar, katup ini menawarkan kontrol aliran yang andal dan efisien. Opsi kontrol manual dan joystick yang serbaguna membuatnya cocok untuk operasi presisi dalam berbagai skenario.
| Seri P40 Katup Arah Monoblok Parameters | |
|---|---|
| Metode Kontrol | Buku Panduan, Pneumatik, Elektro-pneumatik, Elektro-hidraulik, Selenoid, Hidraulis, Hidraulik dan Manual, Kabel, Stik Kontrol, Manual dan Joystick |
| Spul | 1 Spul, 2 Spul, 3 Spul, 4 Spul, 5 Spul, 6 Spul, 7 Spul |
| Aliran Terukur | 40 L/menit (10,5 US gpm) |
| Tekanan Maksimum | 250 bar (3600 psi) |
| Port Masuk | G3/8, G1/2, M18×1.5, M22×1.5, SAE 8, SAE 10, 3/8 NPT, 1/2 NPT |
| Port Keluar | G3/8, G1/2, M18×1.5, M22×1.5, SAE 8, SAE 10, 3/8 NPT, 1/2 NPT |
| Ukuran Port | G3/8, G1/2, M18×1.5, SAE 8, SAE 10, 3/8 NPT, 1/2 NPT |
| Bagian | 1 Bagian, 2 Bagian, 3 Bagian, 4 Bagian, 5 Bagian, 6 Bagian, 7 Bagian |
| Tipe Struktur | Katup monoblok |
| Kisaran Suhu Sekitar | -40°C hingga +80°C (-40°F hingga +176°F) |
| Kisaran Viskositas Operasional | 15 - 75 mm²/dt (15 cSt hingga 75 cSt) |
**Fitur dan Manfaat Produk:**
* Kontrol manual dan joystick untuk operasi yang presisi dan serbaguna
* Desain 3 spul untuk kontrol independen beberapa sirkuit hidrolik
* Konstruksi monoblok untuk ukuran yang ringkas dan mengurangi kebocoran
* Aliran terukur 40 L/menit untuk kinerja yang efisien
* Tekanan maksimum 250 bar untuk aplikasi berat
* Rentang viskositas operasi 15 - 75 mm²/s untuk kompatibilitas dengan berbagai cairan hidrolik
* Rentang suhu sekitar -40°C hingga +80°C untuk operasi di berbagai lingkungan
**Aplikasi:**
Katup Arah Monoblok 3 Spul Manual dan Joystick P40 banyak digunakan di berbagai industri, termasuk:
* Peralatan penanganan material (forklift, telehandler, stacker)
* Mesin konstruksi (excavator, loader, crane)
* Mesin pertanian (traktor, pemanen, baler)
* Kendaraan industri (penyapu, pemadat sampah, pengait-loader)



