Pengiriman Cepat
Pengiriman ekspres 30 hari



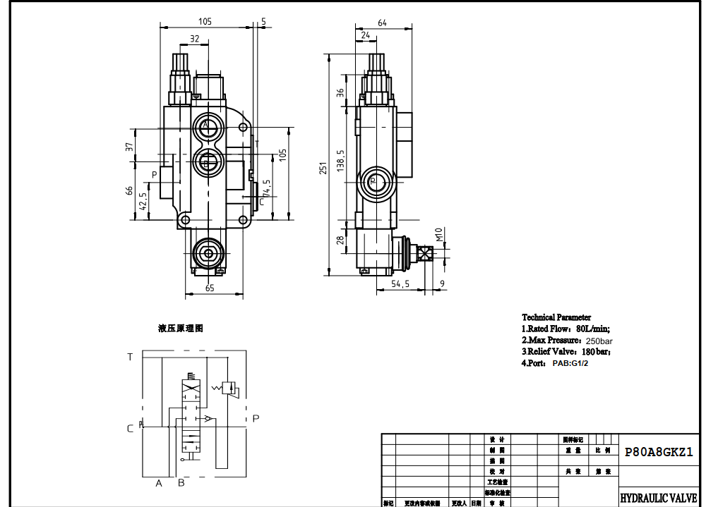
Katup Arah Monoblok 1 Spul Manual P80-G12-1OW adalah katup hidrolik berkinerja tinggi yang dirancang untuk berbagai aplikasi di berbagai industri seperti penanganan material, konstruksi, pertanian, dan kendaraan industri. Dengan aliran terukur 80 L/mnt dan tekanan maksimum 250 bar, katup ini memastikan kontrol sistem hidrolik yang efisien dan andal.
| Seri P80 Katup Arah Monoblok Parameters | |
|---|---|
| Spul | 1 Spul, 2 Spul, 3 Spul, 4 Spul, 5 Spul, 6 Spul, 7 Spul |
| Metode Kontrol | Buku Panduan, Pneumatik, Elektro-pneumatik, Elektro-hidraulik, Selenoid, Hidraulis, Hidraulik dan Manual, Kabel, Stik Kontrol |
| Ukuran Port | G1/2, G3/4, M22×1.5, M27×2.0, SAE 10, 1/2 NPT, 3/4 NPT |
| Bagian | 1 Bagian, 2 Bagian, 3 Bagian, 4 Bagian, 5 Bagian, 6 Bagian, 7 Bagian |
| Kisaran Suhu Sekitar | -40°C hingga +80°C (-40°F hingga +176°F) |
| Kisaran Viskositas Operasional | 15 - 75 mm²/dt (15 cSt hingga 75 cSt) |
| Tekanan Maksimum | 315 bar (4600 psi) |
| Aliran Terukur | 80 L/menit (21,2 US gpm) |
| Tipe Struktur | Katup monoblok |
| Port Masuk | G1/2, G3/4, M27×2.0, SAE 10, SAE 12, 1/2 NPT, 3/4 NPT |
**Fitur dan Manfaat Produk:**
* Kontrol manual untuk pengoperasian yang presisi dan responsif
* Konstruksi monoblok untuk ukuran yang ringkas dan pengurangan kebocoran
* Desain 1 spul untuk keserbagunaan dan kemudahan penggunaan
* Kapasitas aliran tinggi 80 L/mnt untuk kinerja sistem yang efisien
* Tekanan maksimum 250 bar untuk ketahanan dan keandalan
* Rentang viskositas pengoperasian 15 - 75 mm²/dtk untuk kompatibilitas dengan berbagai cairan hidrolik
* Rentang suhu sekitar -40°C hingga +80°C untuk pengoperasian dalam kondisi ekstrem
**Aplikasi:**
Katup Arah Monoblok 1 Spul Manual P80-G12-1OW banyak digunakan dalam berbagai sistem hidrolik, termasuk:
* Peralatan penanganan material (forklift, telehandler, crane)
* Mesin konstruksi (excavator, loader, grader)
* Mesin pertanian (traktor, mesin panen, baler)
* Kendaraan industri (penyapu jalan, pemadat sampah, pengangkut sampah)
**Kesimpulan:**
Katup Arah Monoblok 1 Spul Manual P80-G12-1OW adalah komponen penting untuk sistem hidrolik di berbagai industri. Konstruksinya yang kokoh, kinerja yang andal, dan keserbagunaannya menjadikannya pilihan yang sangat baik untuk aplikasi yang membutuhkan kontrol aliran hidrolik yang presisi dan efisien.



