Pengiriman Cepat
Pengiriman ekspres 30 hari



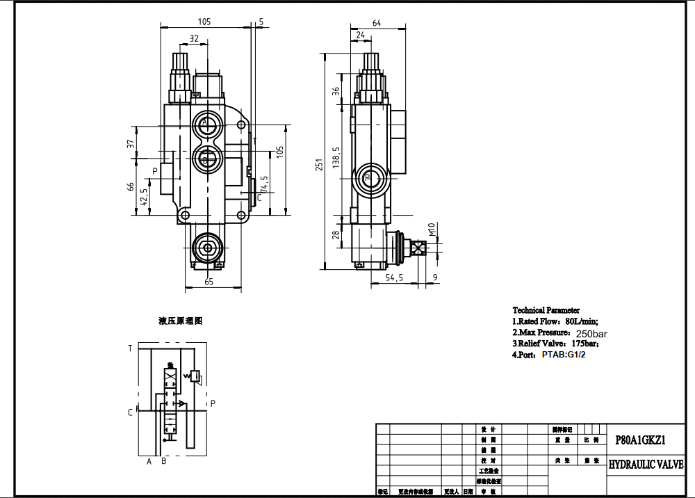
Katup Arah Monoblock 1 Spul Manual P80-G12 adalah katup hidrolik berkinerja tinggi yang dirancang untuk digunakan dalam berbagai aplikasi bergerak. Dengan laju aliran terukur 80 L/min dan tekanan maksimum 250 bar, katup ini mampu menangani sistem hidrolik yang menuntut. Konstruksi monoblock-nya menyediakan solusi yang ringkas dan tahan lama, sementara kontrol manualnya memungkinkan pengoperasian yang presisi dan responsif.
| Seri P80 Katup Arah Monoblok Parameters | |
|---|---|
| Spul | 1 Spul, 2 Spul, 3 Spul, 4 Spul, 5 Spul, 6 Spul, 7 Spul |
| Metode Kontrol | Buku Panduan, Pneumatik, Elektro-pneumatik, Elektro-hidraulik, Selenoid, Hidraulis, Hidraulik dan Manual, Kabel, Stik Kontrol |
| Ukuran Port | G1/2, G3/4, M22×1.5, M27×2.0, SAE 10, 1/2 NPT, 3/4 NPT |
| Bagian | 1 Bagian, 2 Bagian, 3 Bagian, 4 Bagian, 5 Bagian, 6 Bagian, 7 Bagian |
| Kisaran Suhu Sekitar | -40°C hingga +80°C (-40°F hingga +176°F) |
| Kisaran Viskositas Operasional | 15 - 75 mm²/dt (15 cSt hingga 75 cSt) |
| Tekanan Maksimum | 315 bar (4600 psi) |
| Aliran Terukur | 80 L/menit (21,2 US gpm) |
| Tipe Struktur | Katup monoblok |
| Port Masuk | G1/2, G3/4, M27×2.0, SAE 10, SAE 12, 1/2 NPT, 3/4 NPT |
**Fitur dan Manfaat Produk:**
* Laju aliran terukur 80 L/min untuk aplikasi aliran tinggi
* Tekanan maksimum 250 bar untuk sistem hidrolik yang menuntut
* Konstruksi monoblock untuk solusi yang ringkas dan tahan lama
* Kontrol manual untuk pengoperasian yang presisi dan responsif
* Rentang viskositas operasi 15 - 75 mm²/s untuk kompatibilitas dengan berbagai cairan hidrolik
* Rentang suhu sekitar -40°C hingga +80°C untuk digunakan di lingkungan ekstrem
**Aplikasi:**
Katup Arah Monoblock 1 Spul Manual P80-G12 sangat ideal untuk digunakan dalam berbagai aplikasi bergerak, termasuk:
* Peralatan konstruksi
* Peralatan pertanian
* Kendaraan industri
* Peralatan penanganan material
* Peralatan kehutanan
* Peralatan pertambangan



