Pengiriman Cepat
Pengiriman ekspres 30 hari



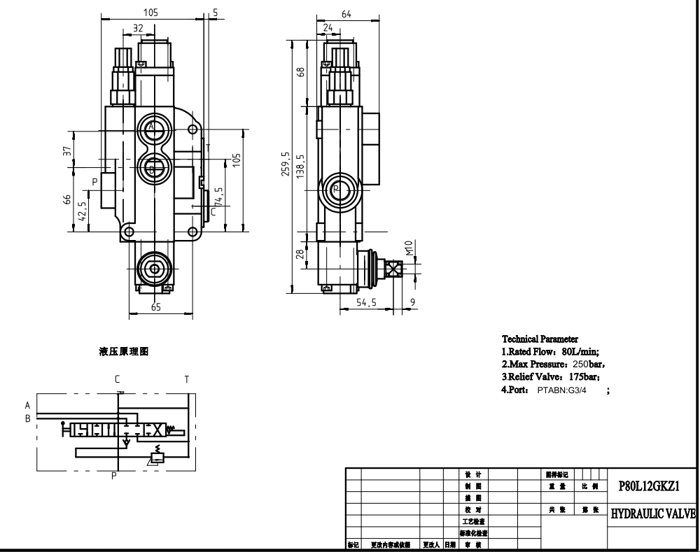
Katup Arah Monoblok Spul Tunggal Manual P80-G34-1OT adalah katup hidrolik berperforma tinggi yang dirancang untuk berbagai aplikasi di industri penanganan material, konstruksi, pertanian, dan kendaraan industri. Katup ini dilengkapi dengan mekanisme kontrol manual, desain spul tunggal, dan konstruksi monoblok yang kokoh.
| Seri P80 Katup Arah Monoblok Parameters | |
|---|---|
| Spul | 1 Spul, 2 Spul, 3 Spul, 4 Spul, 5 Spul, 6 Spul, 7 Spul |
| Metode Kontrol | Buku Panduan, Pneumatik, Elektro-pneumatik, Elektro-hidraulik, Selenoid, Hidraulis, Hidraulik dan Manual, Kabel, Stik Kontrol |
| Ukuran Port | G1/2, G3/4, M22×1.5, M27×2.0, SAE 10, 1/2 NPT, 3/4 NPT |
| Bagian | 1 Bagian, 2 Bagian, 3 Bagian, 4 Bagian, 5 Bagian, 6 Bagian, 7 Bagian |
| Kisaran Suhu Sekitar | -40°C hingga +80°C (-40°F hingga +176°F) |
| Kisaran Viskositas Operasional | 15 - 75 mm²/dt (15 cSt hingga 75 cSt) |
| Tekanan Maksimum | 315 bar (4600 psi) |
| Aliran Terukur | 80 L/menit (21,2 US gpm) |
| Tipe Struktur | Katup monoblok |
| Port Masuk | G1/2, G3/4, M27×2.0, SAE 10, SAE 12, 1/2 NPT, 3/4 NPT |
**Fitur dan Manfaat Produk:**
* Kontrol manual untuk operasi yang presisi dan andal
* Desain monoblok memastikan integritas struktural dan daya tahan
* Aliran terukur 80 L/menit (21.2 US gpm) untuk kinerja sistem yang efisien
* Tekanan maksimum 250 bar (3600 psi) untuk aplikasi yang menuntut
* Rentang viskositas operasi 15 - 75 mm²/s (15 cSt hingga 75 cSt) untuk kompatibilitas dengan berbagai cairan hidrolik
* Rentang suhu sekitar yang luas dari -40°C hingga +80°C (-40°F hingga +176°F) untuk operasi di berbagai lingkungan
**Aplikasi:**
Katup Arah Monoblok Spul Tunggal Manual P80-G34-1OT sangat ideal untuk digunakan dalam berbagai sistem hidrolik, termasuk:
* Peralatan penanganan material (forklift, telehandler, stacker)
* Mesin konstruksi (excavator, loader, crane)
* Kendaraan pertanian (traktor, mesin panen, baler)
* Kendaraan industri (penyapu, pemadat sampah, pengait)



