Pengiriman Cepat
Pengiriman ekspres 30 hari



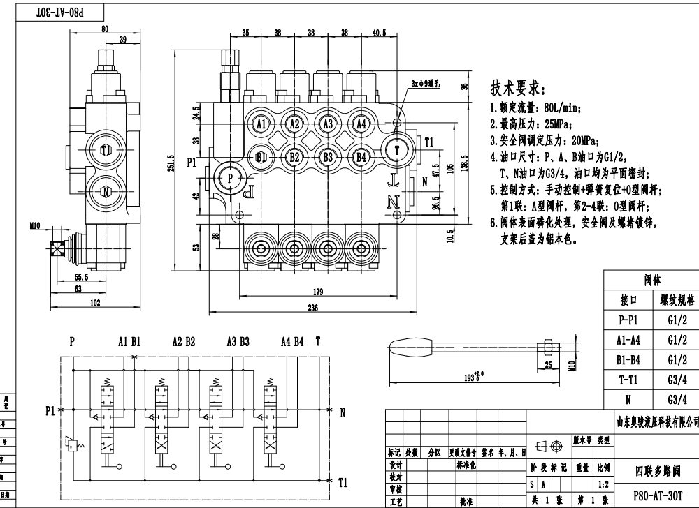
Katup Arah Monoblock 4 Spul Manual P80-G34-G12-AT-3OT adalah katup hidrolik berkinerja tinggi yang dirancang untuk aplikasi berat di berbagai industri. Dengan aliran terukur 80 L/menit dan tekanan maksimum 250 bar, katup ini menyediakan kontrol sistem hidrolik yang andal dan efisien. Desain monoblock memastikan konstruksi yang ringkas dan kuat, sehingga cocok digunakan dalam aplikasi dengan ruang terbatas.
| Seri P80 Katup Arah Monoblok Parameters | |
|---|---|
| Spul | 1 Spul, 2 Spul, 3 Spul, 4 Spul, 5 Spul, 6 Spul, 7 Spul |
| Metode Kontrol | Buku Panduan, Pneumatik, Elektro-pneumatik, Elektro-hidraulik, Selenoid, Hidraulis, Hidraulik dan Manual, Kabel, Stik Kontrol |
| Ukuran Port | G1/2, G3/4, M22×1.5, M27×2.0, SAE 10, 1/2 NPT, 3/4 NPT |
| Bagian | 1 Bagian, 2 Bagian, 3 Bagian, 4 Bagian, 5 Bagian, 6 Bagian, 7 Bagian |
| Kisaran Suhu Sekitar | -40°C hingga +80°C (-40°F hingga +176°F) |
| Kisaran Viskositas Operasional | 15 - 75 mm²/dt (15 cSt hingga 75 cSt) |
| Tekanan Maksimum | 315 bar (4600 psi) |
| Aliran Terukur | 80 L/menit (21,2 US gpm) |
| Tipe Struktur | Katup monoblok |
| Port Masuk | G1/2, G3/4, M27×2.0, SAE 10, SAE 12, 1/2 NPT, 3/4 NPT |
**Fitur dan Manfaat Produk:**
* Kontrol manual untuk operasi yang presisi dan responsif
* Desain 4 spul untuk kontrol aliran yang serbaguna
* Konstruksi monoblock untuk kekompakan dan daya tahan
* Kapasitas aliran tinggi 80 L/mnt untuk operasi sistem yang efisien
* Tekanan maksimum 250 bar untuk aplikasi berat
* Rentang viskositas operasi yang luas 15 - 75 mm²/s untuk kompatibilitas dengan berbagai cairan hidrolik
* Rentang suhu operasi -40°C hingga +80°C untuk kinerja yang andal di lingkungan yang keras
**Aplikasi:**
Katup Arah Monoblock 4 Spul Manual P80-G34-G12-AT-3OT banyak digunakan dalam sistem hidrolik untuk berbagai aplikasi, antara lain:
* Peralatan penanganan material
* Mesin konstruksi
* Mesin pertanian
* Kendaraan industri



