Pengiriman Cepat
Pengiriman ekspres 30 hari



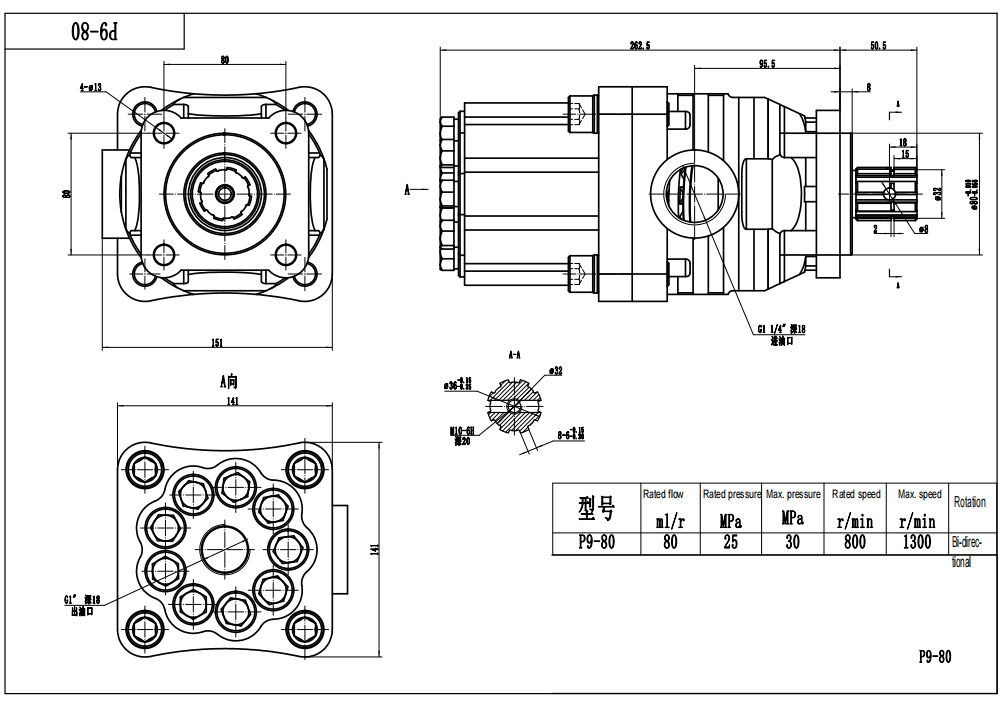
Pompa piston hidraulik P9-80-H kami adalah solusi yang kokoh dan berkinerja tinggi, dirancang untuk aplikasi berat di berbagai sektor. Menampilkan konstruksi besi cor yang tahan lama, rotasi dua arah, dan opsi pemasangan ISO/UNI yang fleksibel, pompa ini memberikan daya yang andal hingga 30 MPa (4351 psi) pada kecepatan hingga 1300 r/min. Ideal untuk mesin tugas berat, pompa ini menyediakan kontrol hidraulik yang efisien dan presisi untuk OEM global, proyek kustom, dan distribusi grosir.
| Seri P Pompa Piston Hidrolik Parameters | |
|---|---|
| Perpindahan | 40 cc/putaran, 63 cc/putaran, 80 cc/putaran |
| Tekanan Terukur | 25 MPa (3625 psi) |
| Tekanan Maksimum | 30 MPa (4351 psi) |
| Kecepatan Terukur | Kecepatan Dinilai |
| Kecepatan Maksimum | 1300 r/min |
| Putaran | Dua Arah |
| Struktur | Pompa Roda Gigi Eksternal, Pompa Roda Gigi Internal |
| Bahan | Besi Cor |
| Versi Flens | Lubang Pemasangan ISO-4, Lubang Pemasangan UNI-3 |
| Tipe Poros | H: Spline Persegi Panjang |
Pompa piston hidraulik P9-80-H ini direkayasa untuk kinerja dan daya tahan yang luar biasa dalam sistem hidraulik kritis. Sebagai produsen terkemuka, kami menyediakan produk ini untuk manufaktur, OEM, ODM, label pribadi, dan grosir, mencari distributor global, grosir, agen, dan pedagang.
**Fitur & Keunggulan Produk:**
* **Kinerja Tekanan Tinggi:** Dinilai untuk tekanan operasi berkelanjutan 25 MPa (3625 psi) dan mampu menangani tekanan maksimum hingga 30 MPa (4351 psi), memastikan keandalan dalam aplikasi yang berat.
* **Rentang Kecepatan Optimal:** Beroperasi secara efisien pada kecepatan terukur 800 r/min, dengan kapasitas kecepatan maksimum 1300 r/min, menawarkan fleksibilitas untuk berbagai tuntutan operasional.
* **Rotasi Dua Arah:** Dirancang untuk integrasi serbaguna ke dalam sirkuit hidraulik yang beragam, memungkinkan operasi yang lancar terlepas dari arah rotasi.
* **Konstruksi Tahan Lama:** Diproduksi dari besi cor berkualitas tinggi, menjamin ketahanan aus yang sangat baik, masa pakai yang lebih lama, dan kinerja yang kuat di lingkungan kerja yang keras.
* **Opsi Pemasangan Fleksibel:** Dilengkapi dengan lubang pemasangan ISO-4 dan UNI-3, menyediakan kompatibilitas luas dan kemudahan instalasi di berbagai platform mesin.
* **Jenis Poros Standar:** Menampilkan poros H: Spline Persegi Panjang, memastikan transmisi daya yang andal dan kompatibilitas dengan sistem penggerak umum.
* **Keandalan Pompa Piston:** Menggunakan teknologi pompa piston canggih yang dikenal karena efisiensi volumetriknya yang tinggi, kontrol yang presisi, dan penyaluran daya yang kuat, menjadikannya superior untuk tugas-tugas berat dibandingkan pompa roda gigi.
**Skenario Aplikasi:**
* **Konstruksi & Pemindahan Tanah:** Menggerakkan fungsi hidraulik pada mesin berat seperti wheel loader, backhoe loader, mini-excavator, crane segala medan, motor grader, dan pompa boom beton.
* **Penanganan Material:** Penting untuk mekanisme pengangkatan yang presisi dan bertenaga pada telehandler, forklift, stacker, dan platform udara.
* **Pertanian:** Menggerakkan sistem hidraulik pada traktor, front-end loader, harvester, sprayer, baler, dan peralatan pertanian tugas berat lainnya.
* **Kendaraan Industri:** Digunakan pada kendaraan industri dan kota khusus seperti pemadat sampah, hook-loader, skip loader, dan penyapu.
* **Solusi OEM & Kustom:** Komponen ideal bagi produsen yang mencari pompa hidraulik berkinerja tinggi dan tahan lama untuk desain peralatan baru atau integrasi sistem hidraulik kustom yang terspesialisasi secara global.



