Pengiriman Cepat
Pengiriman ekspres 30 hari



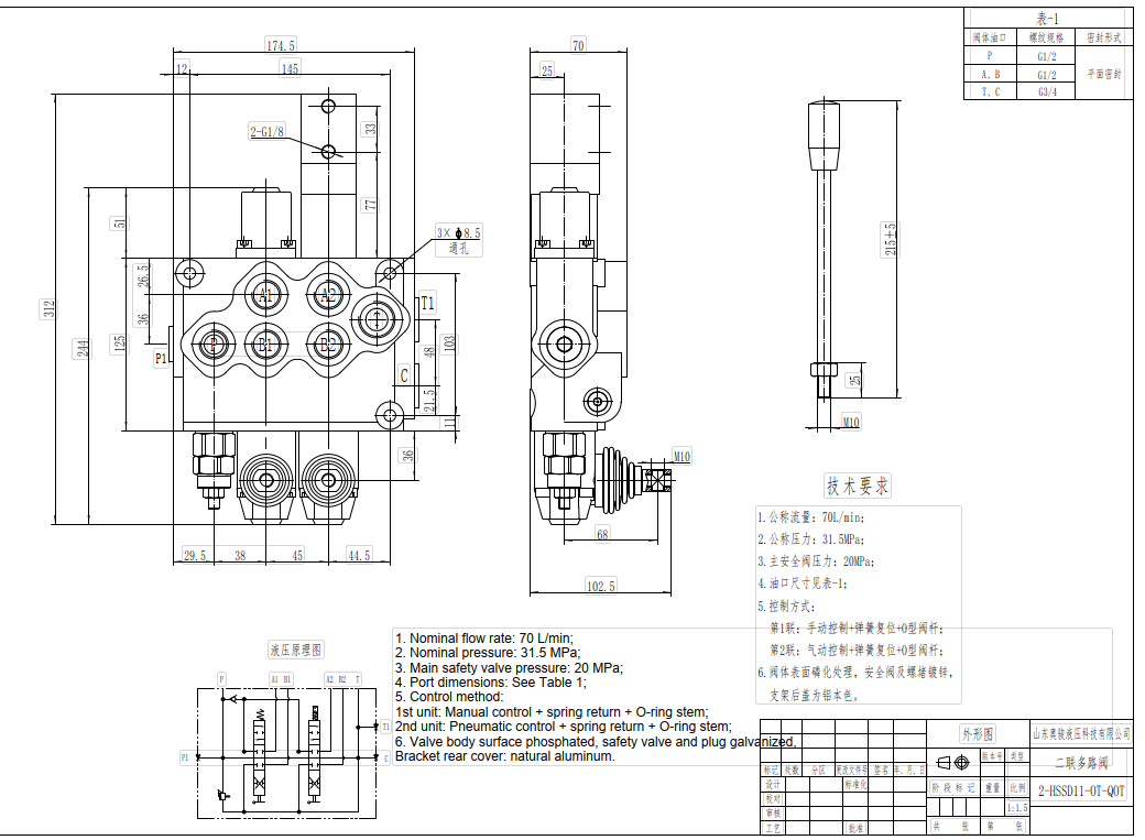
Katup Arah Monoblok 1 Spul Manual SD11 dirancang untuk berbagai aplikasi hidrolik. Dengan aliran terukur 70 L/mnt (18.5 US gpm) dan tekanan maksimum 250 bar (3600 psi), katup ini dapat menangani kondisi operasi yang menuntut. Desain monobloknya yang ringkas memberikan solusi hemat ruang, sementara kontrol manual menawarkan operasi yang presisi dan responsif.
| Seri SD11 Katup Arah Monoblok Parameters | |
|---|---|
| Metode Kontrol | Buku Panduan, Pneumatik, Elektro-pneumatik, Elektro-hidraulik, Selenoid, Hidraulis, Hidraulik dan Manual, Kabel, Stik Kontrol, Listrik |
| Spul | 1 Spul, 2 Spul, 3 Spul, 4 Spul, 5 Spul |
| Aliran Terukur | 70 L/menit (18,5 US gpm) |
| Tekanan Maksimum | 315 bar (4600 psi) |
| Port Masuk | G3/4, SAE 12 |
| Port Keluar | G3/4, SAE 12 |
| Ukuran Port | G3/4, SAE 12 |
| Bagian | 1 Bagian, 2 Bagian, 3 Bagian, 4 Bagian, 5 Bagian, 6 Bagian, 7 Bagian |
| Tipe Struktur | Katup monoblok |
| Kisaran Suhu Sekitar | -40°C hingga +60°C (-40°F hingga +140°F) |
| Kisaran Viskositas Operasional | 15 - 75 mm²/dt (15 cSt hingga 75 cSt) |
**Fitur dan Manfaat Produk:**
* Kontrol manual untuk operasi yang presisi dan responsif
* Desain monoblok untuk solusi hemat ruang
* Aliran terukur 70 L/mnt (18.5 US gpm) untuk kinerja yang efisien
* Tekanan maksimum 250 bar (3600 psi) untuk aplikasi yang menuntut
* Rentang viskositas operasi 15 - 75 mm²/s (15 cSt hingga 75 cSt) untuk keserbagunaan
* Rentang suhu sekitar -40°C hingga +60°C (-40°F hingga +140°F) untuk kondisi ekstrem
**Aplikasi:**
* Peralatan penanganan material
* Mesin konstruksi dan pemindah tanah
* Peralatan pertanian
* Kendaraan industri
* Telehandler
* Forklift
* Derek segala medan
* Penumpuk
* Platform udara
* Motor grader
* Ekskavator
* Pemuat beroda kemudi selip
* Pemuat beroda kompak
* Pemuat beroda
* Pemuat backhoe
* Truk sampah
* Rig bor muka
* Pompa boom beton
* Pemadat jalan
* Rig pengeboran putar
* Penghancur dan pemotong batu
* Penyaring
* Traktor dengan pemuat depan
* Pemanen
* Pembungkus bal
* Backhoe
* Mesin penanam
* Trailer kehutanan
* Penyemprot
* Baler
* Pembelah kayu
* Pemuat skip
* Pemuat kait
* Pemadat sampah
* Penyapu



