Pengiriman Cepat
Pengiriman ekspres 30 hari



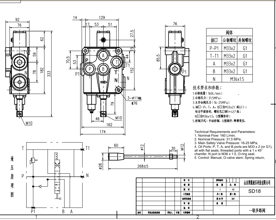
Katup Arah Monoblok 1 Kumparan Manual SD18 adalah katup yang ringkas dan andal, dirancang untuk digunakan dalam berbagai aplikasi hidrolik. Dengan aliran terukur 120 L/min dan tekanan maksimum 315 bar, katup ini cocok digunakan dalam sistem dengan persyaratan aliran dan tekanan sedang.
| Seri SD18 Katup Arah Monoblok Parameters | |
|---|---|
| Metode Kontrol | Buku Panduan, Pneumatik, Elektro-pneumatik, Elektro-hidraulik, Hidraulis, Hidraulik dan Manual, Kabel, Stik Kontrol |
| Spul | 1 Spul, 2 Spul, 3 Spul, 4 Spul |
| Aliran Terukur | 160 L/menit (42,2 US gpm) |
| Tekanan Maksimum | 305 bar (4400 psi) |
| Port Masuk | G1/2, G1, SAE 16 |
| Port Keluar | G1, SAE 16 |
| Ukuran Port | G1, SAE 16 |
| Bagian | 1 Bagian, 2 Bagian, 3 Bagian, 4 Bagian |
| Tipe Struktur | Katup monoblok |
| Kisaran Suhu Sekitar | -40°C hingga +80°C (-40°F hingga +176°F) |
| Kisaran Viskositas Operasional | 12 - 400 mm²/dt (12 cSt hingga 400 cSt) |
**Fitur dan Keunggulan Produk:**
* Desain ringkas dan ringan
* Kontrol manual untuk pengoperasian yang presisi dan responsif
* Konstruksi monoblok untuk daya tahan dan keandalan
* Aliran terukur 120 L/min untuk pengoperasian sistem yang efisien
* Tekanan maksimum 315 bar untuk digunakan dalam aplikasi yang menuntut
* Rentang viskositas operasi 12 - 400 mm²/s untuk kompatibilitas dengan berbagai jenis cairan
* Rentang suhu sekitar -40°C hingga +80°C untuk digunakan di lingkungan yang keras
* 1 kumparan untuk keserbagunaan dan kontrol
**Aplikasi:**
Katup Arah Monoblok 1 Kumparan Manual SD18 cocok untuk digunakan dalam berbagai aplikasi hidrolik, termasuk:
* Peralatan penanganan material
* Peralatan konstruksi dan pemindahan tanah
* Mesin pertanian
* Kendaraan industri



