Pengiriman Cepat
Pengiriman ekspres 30 hari



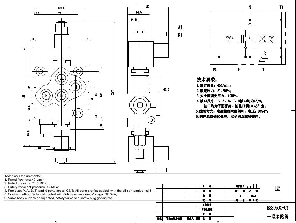
Katup Arah Monoblock Solenoid 1 Spul SD5 adalah katup satu bagian yang dioperasikan solenoid dengan laju aliran nominal 40 L/mnt (10.5 US gpm) dan tekanan maksimum 305 bar (4400 psi). Sangat cocok untuk berbagai aplikasi dalam penanganan material, konstruksi, pertanian, dan kendaraan industri, seperti telehandler, forklift, crane, stacker, dan platform udara.
| Seri SD5 Katup Arah Monoblok Parameters | |
|---|---|
| Metode Kontrol | Buku Panduan, Pneumatik, Elektro-pneumatik, Elektro-hidraulik, Selenoid, Hidraulis, Hidraulik dan Manual, Kabel, Stik Kontrol |
| Spul | 1 Spul, 2 Spul, 3 Spul, 4 Spul, 5 Spul, 6 Spul |
| Aliran Terukur | 40 L/menit (10,5 US gpm) |
| Tekanan Maksimum | 305 bar (4400 psi) |
| Port Masuk | G3/8, G1/2, M18×1.5, M20×1.5, SAE 6, SAE 8, G1-1/2 |
| Port Keluar | G3/8, G1/2, M18×1.5, M20×1.5, SAE 6, SAE 8 |
| Ukuran Port | G3/8, G1/2, M18×1.5, M20×1.5, SAE 6, SAE 8 |
| Bagian | 1 Bagian, 2 Bagian, 3 Bagian, 4 Bagian, 5 Bagian, 6 Bagian, 7 Bagian |
| Tipe Struktur | Katup monoblok |
| Kisaran Suhu Sekitar | -40°C hingga +60°C (-40°F hingga +140°F) |
| Kisaran Viskositas Operasional | 15 - 75 mm²/dt (15 cSt hingga 75 cSt) |
**Fitur dan Manfaat Produk:**
* Desain ringkas dan ringan
* Kapasitas aliran tinggi
* Penurunan tekanan rendah
* Kinerja penyegelan yang sangat baik
* Umur layanan yang panjang
**Aplikasi:**
* Peralatan penanganan material
* Mesin konstruksi
* Mesin pertanian
* Kendaraan industri



