Pengiriman Cepat
Pengiriman ekspres 30 hari



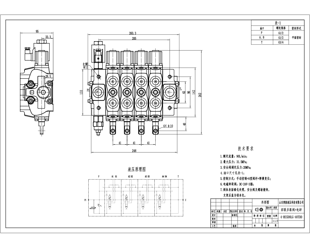
SD8-Katup Bongkar Elektrik Manual 4 Spul Arah Seksional adalah katup hidrolik berkinerja tinggi yang dirancang untuk aplikasi berat di berbagai industri dan peralatan bergerak. Dengan kendali manual, desain spul 4 seksi, dan struktur katup seksi, katup ini menawarkan kontrol aliran yang presisi dan andal dalam sistem hidrolik.
| Seri SD8 Kran Arah Bagian Parameters | |
|---|---|
| Spul | 1 Spul, 2 Spul, 3 Spul, 4 Spul, 5 Spul, 6 Spul, 7 Spul, 8 Spul, 9 Spul, 10 Spul |
| Metode Kontrol | Buku Panduan, Pneumatik, Elektro-pneumatik, Elektro-hidraulik, Selenoid, Hidraulis, Hidraulik dan Manual, Kabel, Stik Kontrol, Selenoid dan Joystick, Manual dan Joystick |
| Ukuran Port | G1/2, SAE 10 |
| Bagian | 1 Bagian, 2 Bagian, 3 Bagian, 4 Bagian, 5 Bagian, 6 Bagian, 7 Bagian, 8 Bagian, 9 Bagian, 10 Bagian |
| Kisaran Suhu Sekitar | -40°C hingga +80°C (-40°F hingga +176°F) |
| Kisaran Viskositas Operasional | 12 - 400 mm²/dt (12 cSt hingga 400 cSt) |
| Port Keluar | G1/2, G3/4, SAE 10, 3/4 NPT |
| Tekanan Maksimum | 250 bar (3600 psi), 350 bar (5100 psi) |
| Aliran Terukur | 90 L/menit (23,8 US gpm) |
| Tipe Struktur | Katup penampang |
| Port Masuk | G1/2, G3/4, SAE 10 |
**Fitur dan Manfaat Produk:**
* Kontrol manual untuk pengoperasian yang presisi dan responsif
* Desain spul 4 seksi untuk kontrol aliran yang serbaguna
* Struktur katup seksi memungkinkan integrasi dan modularitas yang mudah
* Laju aliran terukur 90 L/min (23.8 US gpm) untuk kinerja hidrolik yang efisien
* Tekanan maksimum 350 bar (5100 psi) untuk aplikasi berat
* Rentang viskositas operasi lebar 12 - 400 mm²/s (12 cSt hingga 400 cSt) untuk kompatibilitas dengan berbagai cairan hidrolik
**Aplikasi:**
SD8-Katup Bongkar Elektrik Manual 4 Spul Arah Seksional cocok untuk berbagai aplikasi, termasuk:
* Peralatan penanganan material (forklift, telehandler, derek)
* Mesin konstruksi dan pemindahan tanah (excavator, loader, grader)
* Mesin pertanian (traktor, pemanen, baler)
* Kendaraan industri (penyapu jalan, pemadat sampah, pengait-pemuat)



