Pengiriman Cepat
Pengiriman ekspres 30 hari



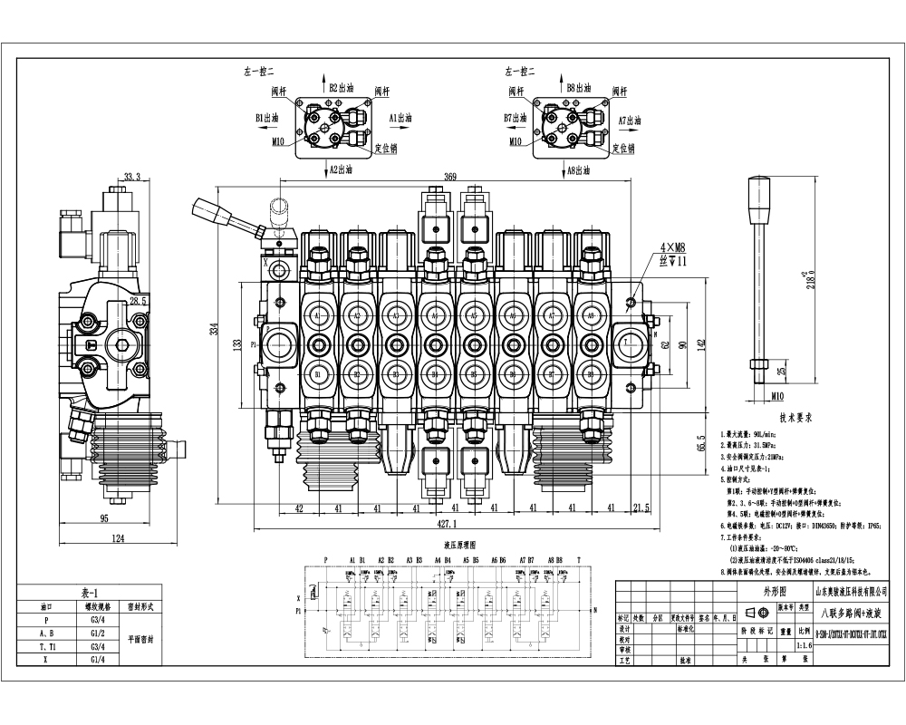
Katup Arah Seksi 8 Spool Manual yang kokoh ini dirancang untuk aplikasi yang menuntut dalam konstruksi, pertanian, penanganan material, dan kendaraan industri. Menawarkan kapasitas aliran dan tekanan tinggi, ia menyediakan kontrol arah yang andal dan serbaguna untuk berbagai sistem hidrolik.
| Seri SD8 Kran Arah Bagian Parameters | |
|---|---|
| Spul | 1 Spul, 2 Spul, 3 Spul, 4 Spul, 5 Spul, 6 Spul, 7 Spul, 8 Spul, 9 Spul, 10 Spul |
| Metode Kontrol | Buku Panduan, Pneumatik, Elektro-pneumatik, Elektro-hidraulik, Selenoid, Hidraulis, Hidraulik dan Manual, Kabel, Stik Kontrol, Selenoid dan Joystick, Manual dan Joystick |
| Ukuran Port | G1/2, SAE 10 |
| Bagian | 1 Bagian, 2 Bagian, 3 Bagian, 4 Bagian, 5 Bagian, 6 Bagian, 7 Bagian, 8 Bagian, 9 Bagian, 10 Bagian |
| Kisaran Suhu Sekitar | -40°C hingga +80°C (-40°F hingga +176°F) |
| Kisaran Viskositas Operasional | 12 - 400 mm²/dt (12 cSt hingga 400 cSt) |
| Port Keluar | G1/2, G3/4, SAE 10, 3/4 NPT |
| Tekanan Maksimum | 250 bar (3600 psi), 350 bar (5100 psi) |
| Aliran Terukur | 90 L/menit (23,8 US gpm) |
| Tipe Struktur | Katup penampang |
| Port Masuk | G1/2, G3/4, SAE 10 |
Katup Arah Seksi 8 Spool Manual ini adalah komponen hidrolik tugas berat yang dirancang untuk aplikasi yang menuntut. Dengan konfigurasi 8-bagiannya, ia menawarkan kontrol arah yang tepat dan serbaguna untuk berbagai fungsi hidrolik. Aliran terukur katup 90 L/menit dan tekanan maksimum 350 bar memastikan operasi yang efisien di lingkungan permintaan tinggi. Katup ini sangat cocok untuk digunakan di berbagai jenis kendaraan konstruksi, pertanian, penanganan material, dan industri, termasuk telehandler, forklift, mini excavator, skid steer loader, wheel loader, backhoe loader, traktor, pemanen, baler, dan penyemprot. Konstruksinya yang kokoh, laju aliran tinggi, dan kapasitas tekanan menjadikannya ideal untuk mengelola sistem hidrolik yang membutuhkan kontrol simultan dari berbagai fungsi.



