Pengiriman Cepat
Pengiriman ekspres 30 hari



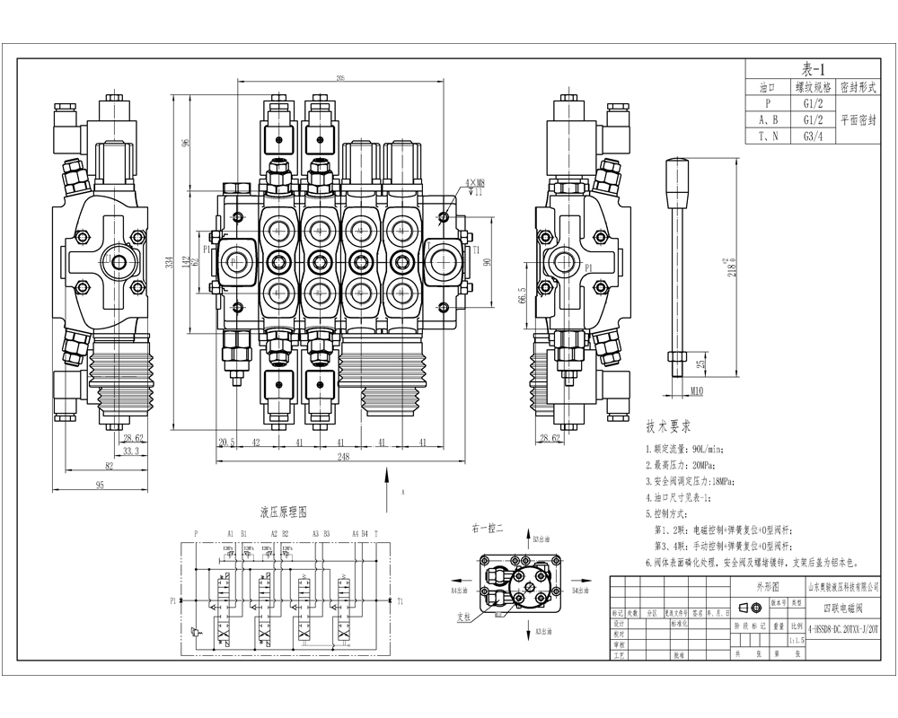
Katup Arah Seksi 4 Spool Solenoid dan Joystick SD8 adalah katup hidrolik berkinerja tinggi yang dirancang untuk aplikasi berat di berbagai industri. Dengan laju aliran terukur 90 L/min, tekanan maksimum 350 bar, dan rentang viskositas operasional 12 - 400 mm²/s, katup ini menawarkan kemampuan kontrol aliran dan regulasi tekanan yang luar biasa.
| Seri SD8 Kran Arah Bagian Parameters | |
|---|---|
| Spul | 1 Spul, 2 Spul, 3 Spul, 4 Spul, 5 Spul, 6 Spul, 7 Spul, 8 Spul, 9 Spul, 10 Spul |
| Metode Kontrol | Buku Panduan, Pneumatik, Elektro-pneumatik, Elektro-hidraulik, Selenoid, Hidraulis, Hidraulik dan Manual, Kabel, Stik Kontrol, Selenoid dan Joystick, Manual dan Joystick |
| Ukuran Port | G1/2, SAE 10 |
| Bagian | 1 Bagian, 2 Bagian, 3 Bagian, 4 Bagian, 5 Bagian, 6 Bagian, 7 Bagian, 8 Bagian, 9 Bagian, 10 Bagian |
| Kisaran Suhu Sekitar | -40°C hingga +80°C (-40°F hingga +176°F) |
| Kisaran Viskositas Operasional | 12 - 400 mm²/dt (12 cSt hingga 400 cSt) |
| Port Keluar | G1/2, G3/4, SAE 10, 3/4 NPT |
| Tekanan Maksimum | 250 bar (3600 psi), 350 bar (5100 psi) |
| Aliran Terukur | 90 L/menit (23,8 US gpm) |
| Tipe Struktur | Katup penampang |
| Port Masuk | G1/2, G3/4, SAE 10 |
**Fitur dan Manfaat Produk:**
* Kontrol solenoid dan joystick untuk operasi yang presisi dan responsif
* Desain 3 bagian untuk kontrol aliran serbaguna
* Konstruksi katup seksi untuk perawatan dan penyesuaian yang mudah
* Laju aliran tinggi dan kapasitas tekanan untuk aplikasi berat
* Kompatibilitas rentang viskositas yang luas
**Aplikasi:**
* Peralatan penanganan material
* Mesin konstruksi dan pemindahan tanah
* Kendaraan pertanian
* Kendaraan industri
* Platform udara
* Derek
* Ekskavator
* Skid steer loader
* Wheel loader



